- 產品介紹
- 產品參數
|
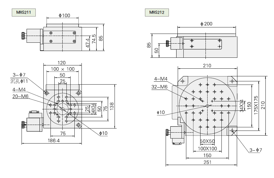
型號 |
MRS211 |
MRS212 |
|
臺面直徑(mm) |
100 |
200 |
|
傳動比 |
300:1 |
360:1 |
|
最小分辨率 |
0.33″ |
0.28″ |
|
絕對定位精度 |
10″ |
10″ |
|
重復定位精度 |
- |
- |
|
最小示值 |
1″ |
1″ |
|
極限速度 |
10°/s |
8°/s |
|
步進電機(1.8°) |
42步進電機(1.8°) |
|
|
極限靜轉矩(Ncm) |
40 |
40 |
|
極限負載(kg) |
4 |
6 |
|
自重(kg) |
3 |
6 |







