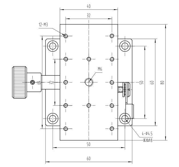
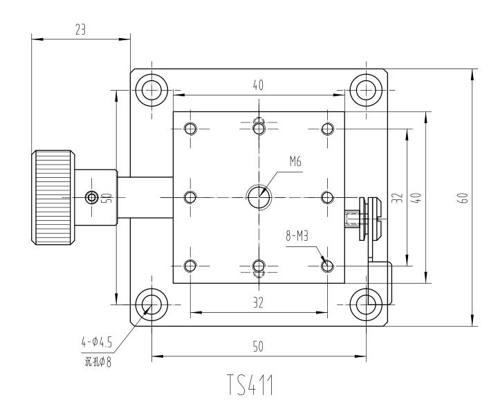
TS411、TS413 translation stages
1. Dovetail slide guides ,driving by a gear rack of the helical gear
2. Lock handwheel in stage's side .
3. There are connecting holes with standard pich on the top and lower part, convenient to connect it with the other translation stages or compose multi dimensional translation stage.
- description
- parameters
|
Model |
TS411 |
TS413 |
|
Table size (mm) |
40×40 |
40×80 |
|
Travel (mm) |
20 |
60 |
|
Graduation(mm) |
1 |
|
|
Resolution(mm) |
0.05 |
|
|
Precision(mm) |
0. 1 |
|
|
Loading capacity (kg) |
6 |
8 |
|
Weight (kg) |
0.25 |
0.45 |
TS411:
TS413:









