- description
- parameters
|
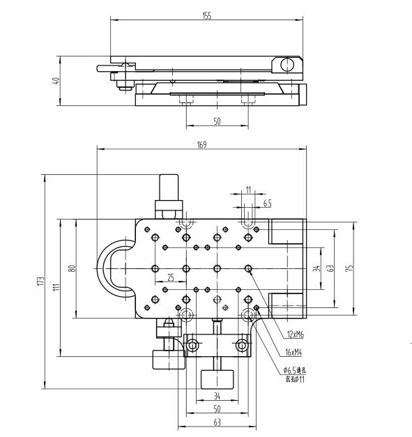
Model |
TMS401 |
|
Travel(mm) |
Ty:±10 |
|
Adjusting range of translation |
θz:±2.5° |
|
Adjusting range of pitch |
θy:3° |
|
Loading capacity |
10 |
|
Weight(kg) |
3 |








